雄鐸科技股份有限公司 SDEC Technology
公司簡介
Profile
產品介紹
Product
常見問題
Q&A
聯絡我們
Contact Us
首頁
產品介紹
LCD Module
垂直排列液晶模組 VATN
產品介紹
產品分類列表
Product List
LCD Module
文字型 Character
繪圖型 Graphic
中文繪圖型 Chinese Graphic
垂直排列液晶模組 VATN
COG
VFD
TFT
OLED
I²C I/F
RS-232 I/F
Custom LCD
Demo
More Information About Product
Menu
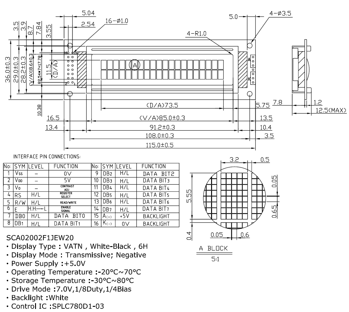
SCA02002F1JEW20
產品介紹:
- Back